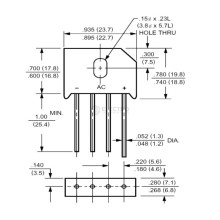
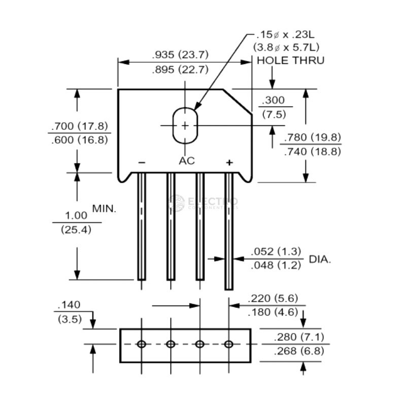
The KBU808 rectifier bridge is capable of withstanding voltage peaks of 800V and a current draw of 8A . It is an electronic circuit used to convert alternating current (AC) to direct current (DC). It is also known as a Graetz bridge. It consists of four diodes that convert a signal with positive and negative components (AC) into a purely positive signal (DC). A single diode would only retain the positive portion, but the bridge allows the negative portion to be utilized as well. The bridge, along with a capacitor and a Zener diode, enables the conversion of AC to DC.
.jpg)
Product type: Rectifier Bridge.
Reverse voltage (Vr): 560V.
Peak reverse voltage (Vrm): 800V.
Maximum forward current (Io): 8A.
Forward voltage drop (Vf): 1.1V at 8A.
Maximum surge current: 300A.
Operating temperature range: -55°C to +150°C.
